
Infraštruktúra
Most Galecopperbrug, Utrecht
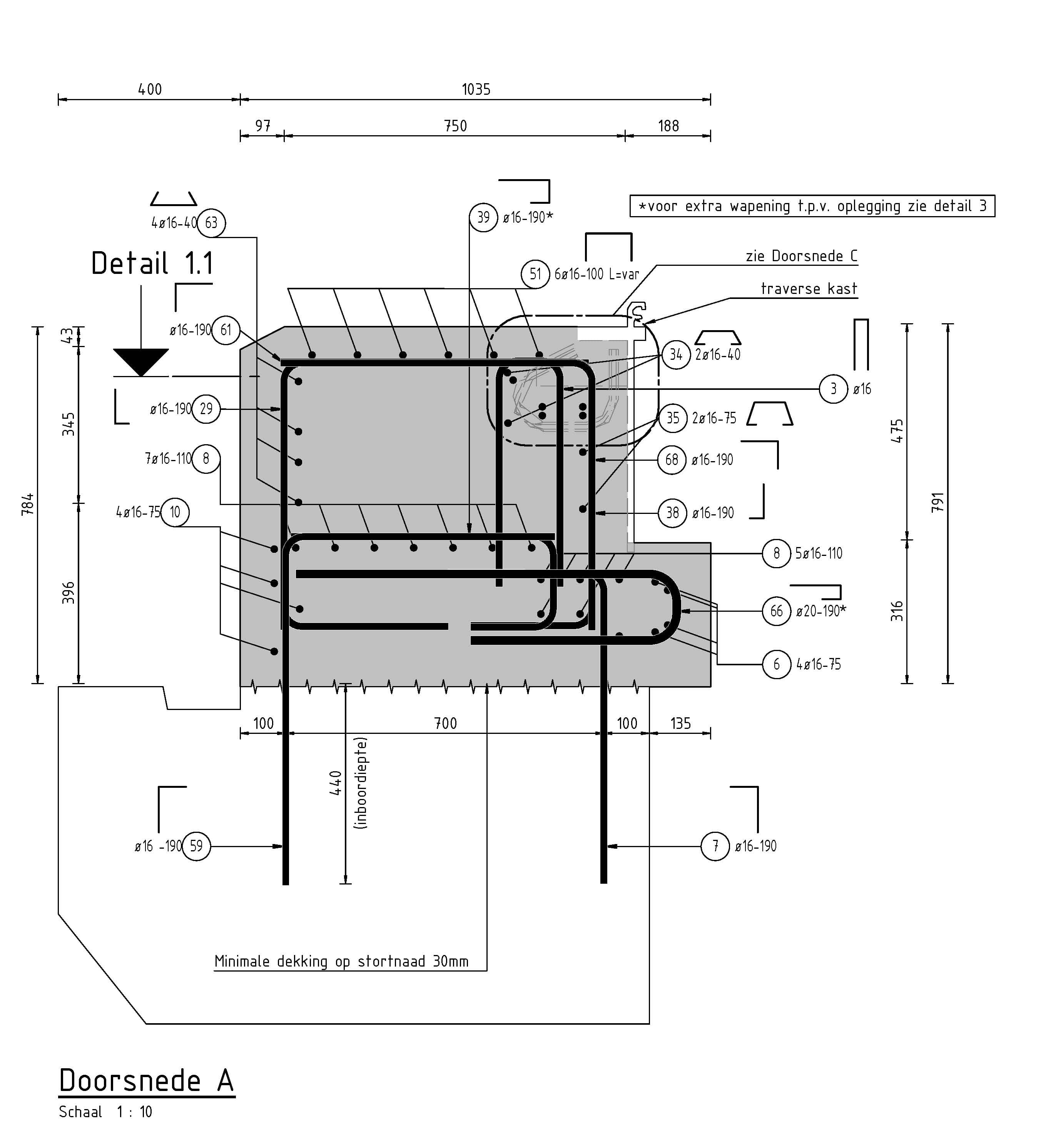
Projektovanie
3D model, výkresy a výkazy výstuže
Krajina
Holandsko
Mesto
Utrecht
Rok
2019
O projekte
Rekonštrukcia mostných záverov mosta Gallecopperbrug v holandskom meste Utrecht.
Názov stavby
Galecopperbrug Utrecht – Voegen Zuidbrug
Galéria
Máte záujem o podobný projekt?
Kontaktujte nás
Ing. Ján Slivka
vedúci pobočky Žilina
